吕总和张警犬的视频,暖暖爱国语版免费高清观看,甜心vlog柚子猫免费观看

产品目录
联系报价
紧急热线
联系销售
服务与解决方案
翼凯机械为耐磨材料解决方案专家。我们竭诚为您产线提供一站式耐磨材料解决方案服务和科学解决方案,同时为您节省成本以及精力。向您提供专业的解决方案是我们的强项。上海翼凯机械设备有限公司积极带给您国内外的材料技术解决方案,同时还为您提供专业的技术指导以及支持服务。
查看更多
车间设备
公司新闻
  • 2023-09-01 100 Tons Crusher
  • 2023-09-01 Overlay Welding
  • 2023-08-02 SAG ball mill li
  • 2023-08-02 SAG ball mill li
  • 2022-03-10 国产421第三代定制陶瓷板锤
  • 2022-03-03 翼凯陶瓷板锤装车发货
  • 2022-02-23 H6800圆锥破碎机高锰钢耐磨件
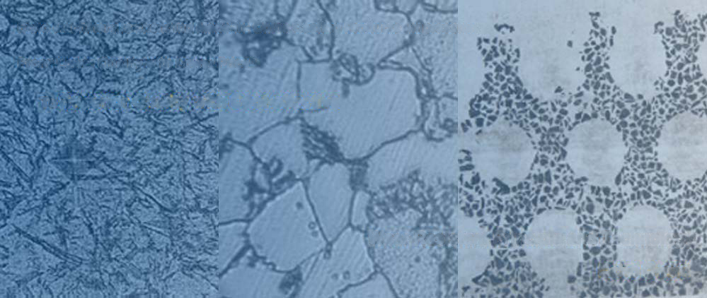
质量控制
查看更多>>
我们严肃认真对待产品质量!翼凯机械质量控制体系控制产品原材料,化成成份,尺寸精度,金相组织,产品内部以及表面质量等。产品的质检标准严格按照国标GB,也可以美标ASTM等其他执行并验收。
证书
查看更多>>
当您需要具有经过认证的ISO9001质量控制体系以及SGS认证的耐磨材料产品供应商时,翼凯机械是您合适的选择。我们有强烈的质量控制意识以及完善的质量控制体系。 所有的产品合格后,方可入库发货。
客户反馈
查看更多>>
翼凯机械始终与客户保持良好的沟通,听取他们对我们产品质量的反馈。我们希望通过客户反馈来完善我们的产品 … 查看更多
国模特冰冰白灵最好看的照片 韩国做aj的视频大全 2025最新萤石云酒店情侣 猫先生千人斩抓头发 小宝寻宝1至8集在线播放 女子真空下蹲买菜视频
密山市 夹江县 吐鲁番市 齐齐哈尔市 正定县 青海省
芦溪县 绥德县 栾川县 沙田区 霍林郭勒市 民县
修文县 大洼县 溧水县 喀喇 蓝田县 增城市
泛站蜘蛛池模板: 新野县| 上杭县| 潞城市| 孟连| 杂多县| 于田县| 乐业县| 公主岭市| 大兴区| 伊川县| 临汾市| 漳浦县| 合肥市| 保亭| 永州市| 衡阳市| 浠水县| 天津市| 公主岭市| 长沙市| 刚察县| 嘉禾县| 宜春市| 新龙县| 南投县| 南丹县| 封丘县| 滁州市| 富民县| 宿州市| 寿阳县| 栾川县| 阿巴嘎旗| 化州市| 定南县| 阿城市| 平湖市| 聂拉木县| 拉萨市| 平江县| 黄石市|